ยินดีต้อนรับคุณ, บุคคลทั่วไป กรุณา เข้าสู่ระบบ หรือ ลงทะเบียน
ส่งอีเมล์ยืนยันการใช้งาน?
18 พฤศจิกายน 2025, 05:15:56
หน้าแรก ช่วยเหลือ ค้นหา ปฏิทิน เข้าสู่ระบบ สมัครสมาชิก
ข่าว: มีปัญหาการใช้งานเว็บไซต์ หรือติดต่อลงโฆษณา ติดต่อ admin [ไม่ใช่ผู้ขายสินค้า] ที่ 0876889988   หรือ theerachai@siamrx.com หรือ line id: @welovecivic




Custom Search
:::CIVIC CLUB THAILAND:::  |  คุยคุ้ย Civic  |  Civic Club DIY => คุณทำได้  |  หัวข้อ: ต่อปุ่มกดล็อก (Central Lock) 0 สมาชิก และ 1 บุคคลทั่วไป กำลังดูหัวข้อนี้
หน้า: [1] 2 ลงล่าง พิมพ์
ผู้เขียน หัวข้อ: ต่อปุ่มกดล็อก (Central Lock)  (อ่าน 57296 ครั้ง)
doly
ศิษย์น้อง
**
ออฟไลน์ ออฟไลน์

กระทู้: 61


« เมื่อ: 11 ธันวาคม 2008, 11:36:02 »



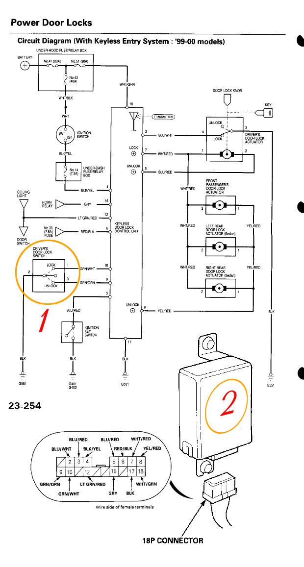
ต่อปุ่มกดล็อก (Central Lock) ได้ไหม
เพราะเวลาดก Lock /Unlock ต้องเอาแขนซ้ายอ้อม
มาดึงสลักตรงหัวไหล่ขวามันไม่ค่อยสะดวกจึงเกิดคำถามนี้ขึ้นครับ

ถ้าจะใช้สวิตช์ แบบกดติด-ปล่อยดับ (เหมือน Soft Switch เปิดเครื่อง Computer)


ถ้าจะต่อจากหมายเลข 1
 ต้องใช้สวิต 2 ตัวหรือตัวเดียวก็ได้
SW Lock  =2 + 1(GRN/WHT)
SW Unlock = 2 + 3 (GRN/ORN)
หรือมีวิธีที่ใช้สวิตช์ อันเดียวได้....ฮืม

หมายเลข 2
กล้อง Control Unit ของ Civic ปี 99
มันอยู่ตั้งไหนครับหาไม่เจอ ฮืม?

** ถ้าท่านสมาชิกมีคำแนะนำอื่น ๆ ๆ เชิญได้นะครับ


* Diagram1.jpg (134.84 KB, 620x1157 - ดู 33034 ครั้ง.)
บันทึกการเข้า
doly
ศิษย์น้อง
**
ออฟไลน์ ออฟไลน์

กระทู้: 61


« ตอบ #1 เมื่อ: 11 ธันวาคม 2008, 13:09:48 »

Up ตอบให้ด้วย
บันทึกการเข้า
fomote
Gold Member
อาจารย์ปู่
***
ออฟไลน์ ออฟไลน์

เพศ: ชาย
กระทู้: 8,998

? HuMaN SoCiEtY.?


« ตอบ #2 เมื่อ: 11 ธันวาคม 2008, 15:10:14 »

 ขยิบตา เอ่อ อยากทำเหมือนกัน
บันทึกการเข้า

?? เพื่อนมีไว้คบไม่ได้มีไว้ฟัด Sาdd  ??
jam-maew
"หำหรรษา"
Gold Member
อาจารย์ปู่
***
ออฟไลน์ ออฟไลน์

เพศ: ชาย
กระทู้: 2,997


เงี่ยนโว้ยย


« ตอบ #3 เมื่อ: 11 ธันวาคม 2008, 15:17:38 »

น่าสน
บันทึกการเข้า
doly
ศิษย์น้อง
**
ออฟไลน์ ออฟไลน์

กระทู้: 61


« ตอบ #4 เมื่อ: 11 ธันวาคม 2008, 15:47:25 »

Up รอผู้รู้มาตอบ... ลังเล
บันทึกการเข้า
fomote
Gold Member
อาจารย์ปู่
***
ออฟไลน์ ออฟไลน์

เพศ: ชาย
กระทู้: 8,998

? HuMaN SoCiEtY.?


« ตอบ #5 เมื่อ: 12 ธันวาคม 2008, 00:53:43 »

 ขยิบตา ยังไม่มีใครเอาไปทำอีกเหรอ
บันทึกการเข้า

?? เพื่อนมีไว้คบไม่ได้มีไว้ฟัด Sาdd  ??
Pantamitr
Gold Member
เจ้าสำนัก
***
ออฟไลน์ ออฟไลน์

เพศ: ชาย
กระทู้: 981


WLC 391 เสือดำ


« ตอบ #6 เมื่อ: 12 ธันวาคม 2008, 08:41:23 »

มะ มา ช่วย Up อยากรู้เหมือนกันคร้าบ   :'(
บันทึกการเข้า

พันธมิตร ที่ไม่ใช่ พันธมิตร
doly
ศิษย์น้อง
**
ออฟไลน์ ออฟไลน์

กระทู้: 61


« ตอบ #7 เมื่อ: 12 ธันวาคม 2008, 14:42:17 »

ไม่มีใคร  อยากได้เหมือนเราเลย...ปุ่ม Lock/Unlock .... เศร้า เศร้า เศร้า เศร้า
บันทึกการเข้า
pop2pop
เข้าวงการ
*
ออฟไลน์ ออฟไลน์

กระทู้: 47



« ตอบ #8 เมื่อ: 14 ธันวาคม 2008, 11:27:22 »

อยากได้เหมือนกัน...แต่ทำไม่เป็น
บันทึกการเข้า

pop2pop
เข้าวงการ
*
ออฟไลน์ ออฟไลน์

กระทู้: 47



« ตอบ #9 เมื่อ: 21 ธันวาคม 2008, 10:15:23 »

ผมเดินดูที่ร้านอมร ไปเจอสวิทซ์กระจกไฟฟ้า สามารถเอามาแทนสวิทซ์เซ็นทร้ลล๊อกได้หรือเปล่า
และผมไม่รู้ว่าสามารถไปต่อกับสายไฟของปืนเซ็นทรัลล๊อกได้ไหม

ใช้ ES ครับ

ปล. แอบไปดู FDthailand เค้ามีช่างอิเลคโทรนิคประจำเว็บ ของเราน่าจะมีมั่งน้าาา...DIY จะได้คึกคัก.. เศร้า
บันทึกการเข้า

dano
ชาวยุทธ
*
ออฟไลน์ ออฟไลน์

เพศ: ชาย
กระทู้: 7


« ตอบ #10 เมื่อ: 05 มกราคม 2009, 15:01:14 »

 ยิ้ม

อยากได้แบบนี้ใช่ป่าว กดบนปลดล๊อค กดล่างล๊อคประตู
พร้อมระบบ Auto Lock ที่ความเร็ว 20 กม./ชม.

ผมเสียตังค์ทำมาครับ กับพี่คนนี้ => 089-203-9172 (พี)  อายจัง

ปล.เป็นสวิทซ์กระจกไฟฟ้าของรุ่นไหนไม่ทราบครับ



* IMG054_resize.jpg (56.17 KB, 450x600 - ดู 19669 ครั้ง.)
« แก้ไขครั้งสุดท้าย: 05 มกราคม 2009, 15:21:38 โดย dano » บันทึกการเข้า
Lotus
ศิษย์น้อง
**
ออฟไลน์ ออฟไลน์

กระทู้: 65


« ตอบ #11 เมื่อ: 06 มกราคม 2009, 10:45:40 »

ยิ้ม

อยากได้แบบนี้ใช่ป่าว กดบนปลดล๊อค กดล่างล๊อคประตู
พร้อมระบบ Auto Lock ที่ความเร็ว 20 กม./ชม.

ผมเสียตังค์ทำมาครับ กับพี่คนนี้ => 089-203-9172 (พี)  อายจัง

ปล.เป็นสวิทซ์กระจกไฟฟ้าของรุ่นไหนไม่ทราบครับ


แพงมั๋ยครับ
บันทึกการเข้า
hpnetwork
ชาวยุทธ
*
ออฟไลน์ ออฟไลน์

กระทู้: 2


« ตอบ #12 เมื่อ: 06 มกราคม 2009, 19:06:29 »

หาสวิทช์ตามข้างบนมาต่อตรงเลยครับ


* index[1] copy.jpg (176.81 KB, 1056x1157 - ดู 42958 ครั้ง.)
บันทึกการเข้า
pop2pop
เข้าวงการ
*
ออฟไลน์ ออฟไลน์

กระทู้: 47



« ตอบ #13 เมื่อ: 06 มกราคม 2009, 21:20:44 »

ขอบคุณครับ....
 ยิ้ม
บันทึกการเข้า

laziost
เข้าวงการ
*
ออฟไลน์ ออฟไลน์

กระทู้: 16


« ตอบ #14 เมื่อ: 06 มกราคม 2009, 21:46:08 »

อยากทำเหมือนกาน  แพงไหมอะ...
บันทึกการเข้า
dano
ชาวยุทธ
*
ออฟไลน์ ออฟไลน์

เพศ: ชาย
กระทู้: 7


« ตอบ #15 เมื่อ: 15 มกราคม 2009, 17:23:30 »

ของผมมีระบบล็อคอัตโนมือ คือไม่ต้องใช้มือมันล็อคเอง ยิงฟันยิ้ม
ราคาไม่เกินสองพันคราบ  อายจัง

แต่ถ้าเพิ่มแค่ปุ่ม คงไม่เท่าไหร่มั้งครับ  ขยิบตา
บันทึกการเข้า
dell
ศิษย์น้อง
**
ออฟไลน์ ออฟไลน์

กระทู้: 91



« ตอบ #16 เมื่อ: 14 กุมภาพันธ์ 2009, 10:23:59 »

หาสวิทช์ตามข้างบนมาต่อตรงเลยครับ
แล้วจุดที่ให้ต่อ driver door lock switch อยู่ส่วนใหนของรถครับ    หาไม่เห็นครับ ช่วยแนะนำทีครับ
« แก้ไขครั้งสุดท้าย: 14 กุมภาพันธ์ 2009, 10:31:23 โดย dell » บันทึกการเข้า
pranon
ชาวยุทธ
*
ออฟไลน์ ออฟไลน์

กระทู้: 13

ดูแล้วจำ...จ้างทำ ทำไม


« ตอบ #17 เมื่อ: 15 พฤษภาคม 2009, 14:43:15 »

EK อยู่ในประตูด้านคนขับครับ ส่วนรุ่นอื่นๆรอผู้รู้ท่านอื่นมาตอบนะครับ ยิ้ม
บันทึกการเข้า
dell
ศิษย์น้อง
**
ออฟไลน์ ออฟไลน์

กระทู้: 91



« ตอบ #18 เมื่อ: 26 มิถุนายน 2009, 12:09:32 »

หาสวิทช์ตามข้างบนมาต่อตรงเลยครับ

ผมต่อยสายจาก GANWHT  GANORN  และ BLK  ที่ออกมาจากกล่องแล้ว  แต่มันไม่ได้ครับ 
    รบกวนอธิบายให้ใหม่ทีครับ  หรือว่ามีรูปตัวอย่างของจริงใหมครับ
 
บันทึกการเข้า
aloveb
ศิษย์น้อง
**
ออฟไลน์ ออฟไลน์

เพศ: ชาย
กระทู้: 61


You are What your think


« ตอบ #19 เมื่อ: 29 ธันวาคม 2009, 04:15:12 »

รบกวนด้วยครับ หรือ มีกันหมดแล้ว
บันทึกการเข้า
97civic
Gold Member
อาจารย์ปู่
***
ออฟไลน์ ออฟไลน์

เพศ: ชาย
กระทู้: 3,154

นายใจดี


« ตอบ #20 เมื่อ: 05 มกราคม 2010, 23:28:58 »

เเนะนำต่อคับ กำลังศักษาอยุ่ว่าจะไปทำเองบ้าง อิอิอิอิ
บันทึกการเข้า

อาจจะมีใครสักคนรออยู่ที่ปลายฟ้า บอกใจเสมอว่าคนที่รออยู่ไม่ไกล
อาจจะมีใครสักคนรับฝากรักในหัวใจ เส้นทางชีวิตอันแสนไกล จะมีคนรักเดินเคียงข้างกัน
ap6938
ชาวยุทธ
*
ออฟไลน์ ออฟไลน์

กระทู้: 2


« ตอบ #21 เมื่อ: 07 กุมภาพันธ์ 2010, 21:12:27 »

 :'(ของ es  กล่องมันอยู่ตรงใหนหาไม่เจอ เศร้า
บันทึกการเข้า
Drager
เจ้ายุทธภพ
******
ออฟไลน์ ออฟไลน์

กระทู้: 1,371


WAZA Cover of skills


« ตอบ #22 เมื่อ: 08 กุมภาพันธ์ 2010, 12:56:30 »

ผมต่อยสายจาก GANWHT  GANORN  และ BLK  ที่ออกมาจากกล่องแล้ว  แต่มันไม่ได้ครับ  
    รบกวนอธิบายให้ใหม่ทีครับ  หรือว่ามีรูปตัวอย่างของจริงใหมครับ
 

   มันน่าเป็นระบบ safty ของสวิทช์เพราะกล่อง มันสั่งงานจาก key less ไร้สาย ถ้าไปสตาร์ทรถแล้ว วงจร Key less น่าจะไม่ทำงานแต่จะไปทำงานกับตัวกดล็อคด้านคนขับเท่านั้น อาจต้องมีการตัดสัญญาณจากสวิทช์กุญแจ น่าจะตัวที่อยู่ด้านล่างของไดอแกรมอะคับ แต่ไม่แนะนำให้ทำนะคับ

  ทางออกที่ดีกว่าน่าจะหา GUN LOCK ตัวนึงพ่วงไฟ จาก ACC ผ่านสวิทช์แบบกดปล่อยสองทาง เข้า GUN LOCK เลยสวิทช์จะไว้ตรงไหนก็แล้วแต่น่าจะง่ายกว่านะคับ อัพเกรด แบบไม่ต้องดัดแปลง  หรือ BY PASS ไฟเข้ามอเตอร์ lock ด้านฝั่งคนขับก็ได้นิคับ ดักกระแสย้อนด้วย ไดโอดด้วยนะคับ กันเอาไว้ก่อน
« แก้ไขครั้งสุดท้าย: 08 กุมภาพันธ์ 2010, 13:01:03 โดย Drager » บันทึกการเข้า
su_wit
อาจารย์ปู่
*******
ออฟไลน์ ออฟไลน์

เพศ: ชาย
กระทู้: 2,054


วิทย์ ณ.โคราชา 084-5437854


« ตอบ #23 เมื่อ: 17 กุมภาพันธ์ 2010, 13:53:45 »

อดใจรอแป๊ปหนึ่งครับตอนนี้กำลังเทสส์อยู่ Copy จาก Web.อื่นมาถ้าใช้งานได้แล้วจะมาเฉลยครับ
บันทึกการเข้า

แมงกะซอนบิน
su_wit
อาจารย์ปู่
*******
ออฟไลน์ ออฟไลน์

เพศ: ชาย
กระทู้: 2,054


วิทย์ ณ.โคราชา 084-5437854


« ตอบ #24 เมื่อ: 20 กุมภาพันธ์ 2010, 10:11:05 »

เมื่อวานนี้ได้ทำการต่อระบบแล้วครับ ผลที่ได้คือไม่สามารถต่อให้ล็อกทั้ง 4 ประตูได้เพราะมอเตอร์ตรงประตูฝั่งคนขับไม่มีครับ มันเป็นแค่สวิชท์ควบคุม ถ้าจะให้ล็อคทั้ง 4 ประตู ต้องหามอเตอร์เซ็นทรัลล็อกมาใส่อีกอันครับและก็ต่อตรงจาก กล่องควบคุมแล้วเข้าสวิชท์เหมือนข้อความด้านบนนั้นแหละครับ
บันทึกการเข้า

แมงกะซอนบิน
su_wit
อาจารย์ปู่
*******
ออฟไลน์ ออฟไลน์

เพศ: ชาย
กระทู้: 2,054


วิทย์ ณ.โคราชา 084-5437854


« ตอบ #25 เมื่อ: 26 กุมภาพันธ์ 2010, 09:07:37 »

ตอนนี้สำเร็จแล้วครับ ไปซื้อมอเตอร์ใหม่มา 1 อันแล้วต่อตรงจากกล่องควบคุมเข้าสิทช์เลย
บันทึกการเข้า

แมงกะซอนบิน
dell
ศิษย์น้อง
**
ออฟไลน์ ออฟไลน์

กระทู้: 91



« ตอบ #26 เมื่อ: 26 กุมภาพันธ์ 2010, 11:13:01 »

ตอนนี้สำเร็จแล้วครับ ไปซื้อมอเตอร์ใหม่มา 1 อันแล้วต่อตรงจากกล่องควบคุมเข้าสิทช์เลย
ขอรูปตัวอย่างด้วยครับ   อยากทำเองบ้าง ขอบคุณครับ
บันทึกการเข้า
AONN CIVIC EK
จอมยุทธ
****
ออฟไลน์ ออฟไลน์

กระทู้: 460



« ตอบ #27 เมื่อ: 26 กุมภาพันธ์ 2010, 11:34:16 »

สนใจเหมือนกันครับ รอดูต่อไป ยิ้มกว้างๆ
บันทึกการเข้า

..."CIVIC EK" ...

"HONDA ACCESS MANIA"
wongbigeye
ชาวยุทธ
*
ออฟไลน์ ออฟไลน์

กระทู้: 1


« ตอบ #28 เมื่อ: 26 กุมภาพันธ์ 2010, 21:51:08 »

คือ ของผม มันเหยียบเบรคแล้ว lock ด้วย แต่ผมไม่ชอบเลย
จะทำไงได้มั่งครับ เอาออกยังไงดี

เปลี่ยนจากเหยียบเบรคแล้วล๊อค ไปเป็น switch manual นี่ยากมั้ยครับ
บันทึกการเข้า
thanawat6
Gold Member
อาจารย์ปู่
***
ออฟไลน์ ออฟไลน์

เพศ: ชาย
กระทู้: 3,230


Japan Garbage Car & THE GANG DIY SERVICE


« ตอบ #29 เมื่อ: 09 เมษายน 2010, 09:38:06 »

คือ ของผม มันเหยียบเบรคแล้ว lock ด้วย แต่ผมไม่ชอบเลย
จะทำไงได้มั่งครับ เอาออกยังไงดี

เปลี่ยนจากเหยียบเบรคแล้วล๊อค ไปเป็น switch manual นี่ยากมั้ยครับ

เป็นชุดสัญญาณกันขโมยใช่ไหมครับ ถ้าใช่ก็ยกเลิกได้ครับ ต้องอ้างอิงคู่มือครับ
ของผมใช้ สัญญาณกันขโมย ของ ABT รีโมทแบบ 2 ปุ่ม เหยียบเบรคล๊อคเหมือนกัน ยกเลิกโดยการ
เปิดกุญแจ ON แล้วกดปุ่มที่รีโมทปุ่มที่ 2 ค้างไว้ 3 วินาที ไฟฉุกเฉินกระพริบ 2 ครั้งเป็นอันเสร็จ
ถ้าจะให้กลับมาเหมือนเดิมก็ทำแบบเดิม ไฟฉุกเฉินกระพริบ 1 ครั้งแทน ลอง ดู
     ส่วนปุ่มกดปล๊ดล๊อคว่าง ๆ จะลองทำดู รถผม EK96  เป็นแบบเซ็นทรัลล๊อค ถ้าเอาสัญญาณเข้า
กล่องเซ็นทรัลล๊อค ประตู 3 บานจะปลดล๊อคให้ เดี๋ยวลองดู  อย่างน้อย ๆ ต้องเตรียมปืนดึงประตูฝั่ง
คนขับไว้ 1 ตัว หละครับ ถ้าติดสัญญาณมีอยู่แล้วครับ
บันทึกการเข้า

thanawat6
Gold Member
อาจารย์ปู่
***
ออฟไลน์ ออฟไลน์

เพศ: ชาย
กระทู้: 3,230


Japan Garbage Car & THE GANG DIY SERVICE


« ตอบ #30 เมื่อ: 12 เมษายน 2010, 10:28:01 »

Update ครับ พอดีลองต่อดูแล้ว ของผมมันเป็นสัญญาณกันขโมยสั่งจากสัญญาณเข้าปืนถึง ลองเอาไดโอดต่อดูก่อน
ผลออกมาไม่ได้ครับ เนื่องจากไดโอดกันกระแสไบอัสกลับ ผลเลยทำให้ปลดล๊อคได้แต่จะล๊อคไม่ได้ซะงั้น
เหลืออีกอย่างว่าจะลองต่อพ่วงจากสายสัญญาณที่ไว้สั่งกล่องเซ็นทรัลล๊อคอีกที กำลังศึกษาดูอยู่ว่าต่อเข้ากล่อง
ตรงนี่จะมีผลอะไรกับกล่องหรือไม่ครับ อันนี้ยังไม่ชัว :'(
« แก้ไขครั้งสุดท้าย: 22 มิถุนายน 2010, 16:22:19 โดย thanawat6 » บันทึกการเข้า

Regis100
ม่อนเงาะ ณ เชียงใหม่
ผู้คุมกฎ
อาจารย์ปู่
*****
ออฟไลน์ ออฟไลน์

เพศ: ชาย
กระทู้: 18,639


ผมก็แค่ผู้โง่เขลาคนนึงที่พยายามอยากฉลาด@ เชียงใหม่เจ้า


« ตอบ #31 เมื่อ: 20 มิถุนายน 2010, 18:19:22 »

กล่อง เซนทรัลล็อคของผมรู้สึกจะไม่เหมือนในรูปต้องไปใล่ดูก่อน ได้เรื่องยังไงจะมาบอกครับ ไม่น่าจาก ผมก็ช่างอิเล็กแต่ยังไม่ค่อยแม่นเรื่องสายไต่างๆของ EK ยังไงได้เรื่องยังไงจะมาแจ้งครับ ลังเล ลังเล
บันทึกการเข้า

ค้นคำตอบก่อนรอคำตอบนะครับ พิมพ์ไว้เยอะแล้ว หาอ่านกันดู
เชื่อผมไม่เชื่อผมไม่มีปัญหา
thanawat6
Gold Member
อาจารย์ปู่
***
ออฟไลน์ ออฟไลน์

เพศ: ชาย
กระทู้: 3,230


Japan Garbage Car & THE GANG DIY SERVICE


« ตอบ #32 เมื่อ: 21 มิถุนายน 2010, 08:02:43 »

ไม่ยากอย่างที่คิดครับ  พอทำได้แล้ว  ว่าง ๆ เดี๋ยวทำวงจรให้ดูกัน  ยิงฟันยิ้ม
บันทึกการเข้า

Regis100
ม่อนเงาะ ณ เชียงใหม่
ผู้คุมกฎ
อาจารย์ปู่
*****
ออฟไลน์ ออฟไลน์

เพศ: ชาย
กระทู้: 18,639


ผมก็แค่ผู้โง่เขลาคนนึงที่พยายามอยากฉลาด@ เชียงใหม่เจ้า


« ตอบ #33 เมื่อ: 22 มิถุนายน 2010, 10:34:12 »

รถผม(EK )ไปดูมาล่ะ มันไม่ใช่กล่องเดิมมันแต่ว่าที่ต่อกับรถมีสาย 6 เส้น แล้วเสียเหลือหลายเส้นเด่วว่างจะลองต่อดู โอ้ลืมถ่ายรูปมา เด่วไปถ่ายรูปใหม่
บันทึกการเข้า

ค้นคำตอบก่อนรอคำตอบนะครับ พิมพ์ไว้เยอะแล้ว หาอ่านกันดู
เชื่อผมไม่เชื่อผมไม่มีปัญหา
thanawat6
Gold Member
อาจารย์ปู่
***
ออฟไลน์ ออฟไลน์

เพศ: ชาย
กระทู้: 3,230


Japan Garbage Car & THE GANG DIY SERVICE


« ตอบ #34 เมื่อ: 22 มิถุนายน 2010, 12:03:53 »

รถผม(EK )ไปดูมาล่ะ มันไม่ใช่กล่องเดิมมันแต่ว่าที่ต่อกับรถมีสาย 6 เส้น แล้วเสียเหลือหลายเส้นเด่วว่างจะลองต่อดู โอ้ลืมถ่ายรูปมา เด่วไปถ่ายรูปใหม่

ใช่ครับ 6 เส้น
 3 เส้นเป็นตัวสั่งงานจาก ประตูฝั่งคนขับเข้ากล่อง
 2 เส้นออกไปหาประตูอีก 3 บาน ให้ล๊อค กะ ปล๊ดล๊อค
 1 เส้นสายไฟเข้า เขียว/ขาว 12v

วิธีต่อก็ หา สวิซ 3 ขา 2 ทาง มาต่อ
ให้ต่อ 3 เส้นแรกครับ  ตรงกลางเป็นขา G ลงตัวถัง หรือพ่วงกะสายสีดำ
        แต่ต้องย้ายมอเตอร์ดึงกลอนประตู ไปพ่วงกับ 2 เส้นที่ออกจาก
กล่องไปสั่งให้ ประตู 3 บานปล๊ดล๊อค
   
ปล. ถ้าติดสัญญาณกันขโมยก็พ่วง 2 สายจากสวิซได้เลย
       ล๊อค - ปล๊ดล๊อคต้องใช้สวิซอย่างเดียวถ้าดึงตัวล๊อค
ด้านคนขับ ประตู 3 บานจะไม่ทำงาน
บันทึกการเข้า

Regis100
ม่อนเงาะ ณ เชียงใหม่
ผู้คุมกฎ
อาจารย์ปู่
*****
ออฟไลน์ ออฟไลน์

เพศ: ชาย
กระทู้: 18,639


ผมก็แค่ผู้โง่เขลาคนนึงที่พยายามอยากฉลาด@ เชียงใหม่เจ้า


« ตอบ #35 เมื่อ: 22 มิถุนายน 2010, 13:28:46 »

ใช่ครับ 6 เส้น
 3 เส้นเป็นตัวสั่งงานจาก ประตูฝั่งคนขับเข้ากล่อง
 2 เส้นออกไปหาประตูอีก 3 บาน ให้ล๊อค กะ ปล๊ดล๊อค
 1 เส้นสายไฟเข้า เขียว/ขาว 12v

วิธีต่อก็ หา สวิซ 3 ขา 2 ทาง มาต่อ
ให้ต่อ 3 เส้นแรกครับ  ตรงกลางเป็นขา G ลงตัวถัง หรือพ่วงกะสายสีดำ
        แต่ต้องย้ายมอเตอร์ดึงกลอนประตู ไปพ่วงกับ 2 เส้นที่ออกจาก
กล่องไปสั่งให้ ประตู 3 บานปล๊ดล๊อค
  
ปล. ถ้าติดสัญญาณกันขโมยก็พ่วง 2 สายจากสวิซได้เลย
       ล๊อค - ปล๊ดล๊อคต้องใช้สวิซอย่างเดียวถ้าดึงตัวล๊อค
ด้านคนขับ ประตู 3 บานจะไม่ทำงาน

แสดงว่าสายสามเส้นแรกจะต่อไปยังประตูคนขับใช่ไม๊ครับ ของผมมันไปประตูคนขับสองเส้นอ่ะ แต่มันต่อมาแยกออกมาใหม่นะครับสงสัยสายอีกเส้นคงต่ออยู่ที่สายไฟประตูชุดเดิม
« แก้ไขครั้งสุดท้าย: 22 มิถุนายน 2010, 13:38:48 โดย Regis100 » บันทึกการเข้า

ค้นคำตอบก่อนรอคำตอบนะครับ พิมพ์ไว้เยอะแล้ว หาอ่านกันดู
เชื่อผมไม่เชื่อผมไม่มีปัญหา
thanawat6
Gold Member
อาจารย์ปู่
***
ออฟไลน์ ออฟไลน์

เพศ: ชาย
กระทู้: 3,230


Japan Garbage Car & THE GANG DIY SERVICE


« ตอบ #36 เมื่อ: 22 มิถุนายน 2010, 16:21:17 »

แสดงว่าสายสามเส้นแรกจะต่อไปยังประตูคนขับใช่ไม๊ครับ ของผมมันไปประตูคนขับสองเส้นอ่ะ แต่มันต่อมาแยกออกมาใหม่นะครับสงสัยสายอีกเส้นคงต่ออยู่ที่สายไฟประตูชุดเดิม

ใช่ครับ
ถ้ามี 2 เส้นจะเป็น ล๊อค กับ อันล๊อคอะครับ  น่าจะถูกดัดแปลงตอน
ติดสัญญาณกันขโมย  อีกเส้นที่ขาดไปจะเป็น G (กราวด์)
บันทึกการเข้า

Regis100
ม่อนเงาะ ณ เชียงใหม่
ผู้คุมกฎ
อาจารย์ปู่
*****
ออฟไลน์ ออฟไลน์

เพศ: ชาย
กระทู้: 18,639


ผมก็แค่ผู้โง่เขลาคนนึงที่พยายามอยากฉลาด@ เชียงใหม่เจ้า


« ตอบ #37 เมื่อ: 22 มิถุนายน 2010, 16:36:24 »

งั้นก็เอาสองเส้นนี้ลองจิ้ม กราวด์ดูเนาะ ถ้าได้ก็รู้ล่ะว่าต่อยัง เด่วเลิกงานไปลอง
บันทึกการเข้า

ค้นคำตอบก่อนรอคำตอบนะครับ พิมพ์ไว้เยอะแล้ว หาอ่านกันดู
เชื่อผมไม่เชื่อผมไม่มีปัญหา
thanawat6
Gold Member
อาจารย์ปู่
***
ออฟไลน์ ออฟไลน์

เพศ: ชาย
กระทู้: 3,230


Japan Garbage Car & THE GANG DIY SERVICE


« ตอบ #38 เมื่อ: 22 มิถุนายน 2010, 16:44:25 »

งั้นก็เอาสองเส้นนี้ลองจิ้ม กราวด์ดูเนาะ ถ้าได้ก็รู้ล่ะว่าต่อยัง เด่วเลิกงานไปลอง

ถูกต้องนะคร้าบบบบบ    ยิงฟันยิ้ม
บันทึกการเข้า

Regis100
ม่อนเงาะ ณ เชียงใหม่
ผู้คุมกฎ
อาจารย์ปู่
*****
ออฟไลน์ ออฟไลน์

เพศ: ชาย
กระทู้: 18,639


ผมก็แค่ผู้โง่เขลาคนนึงที่พยายามอยากฉลาด@ เชียงใหม่เจ้า


« ตอบ #39 เมื่อ: 22 มิถุนายน 2010, 16:50:29 »

เด่วตอนทำถ่ายรูปมาให้ดูครับ
บันทึกการเข้า

ค้นคำตอบก่อนรอคำตอบนะครับ พิมพ์ไว้เยอะแล้ว หาอ่านกันดู
เชื่อผมไม่เชื่อผมไม่มีปัญหา
หน้า: [1] 2 ขึ้นบน พิมพ์ 
:::CIVIC CLUB THAILAND:::  |  คุยคุ้ย Civic  |  Civic Club DIY => คุณทำได้  |  หัวข้อ: ต่อปุ่มกดล็อก (Central Lock)
กระโดดไป:  


.: Powered by :.
.: Link Exchange :.
civic, civic club, new civic 2017 civic, civic club, new civic 2017 civic, civic club, new civic 2017 civic, civic club, new civic 2017 civic, civic club, new civic 2017 civic, civic club, new civic 2017 civic, civic club, new civic 2017 civic, civic club, new civic 2017


Powered by MySQL Powered by PHP Copyright 2004-2014 www.welovecivic.com All rights reserved
Contact: theerachai@siamrx.com
Powered by SMF 1.1.21 | SMF © 2006-2009, Simple Machines -->
Valid XHTML 1.0! Valid CSS!
Civic Club | ย่อลิงค์ |