doly
ศิษย์น้อง
 
ออฟไลน์
กระทู้: 61
|
 |
« เมื่อ: 11 ธันวาคม 2008, 11:36:02 » |
|
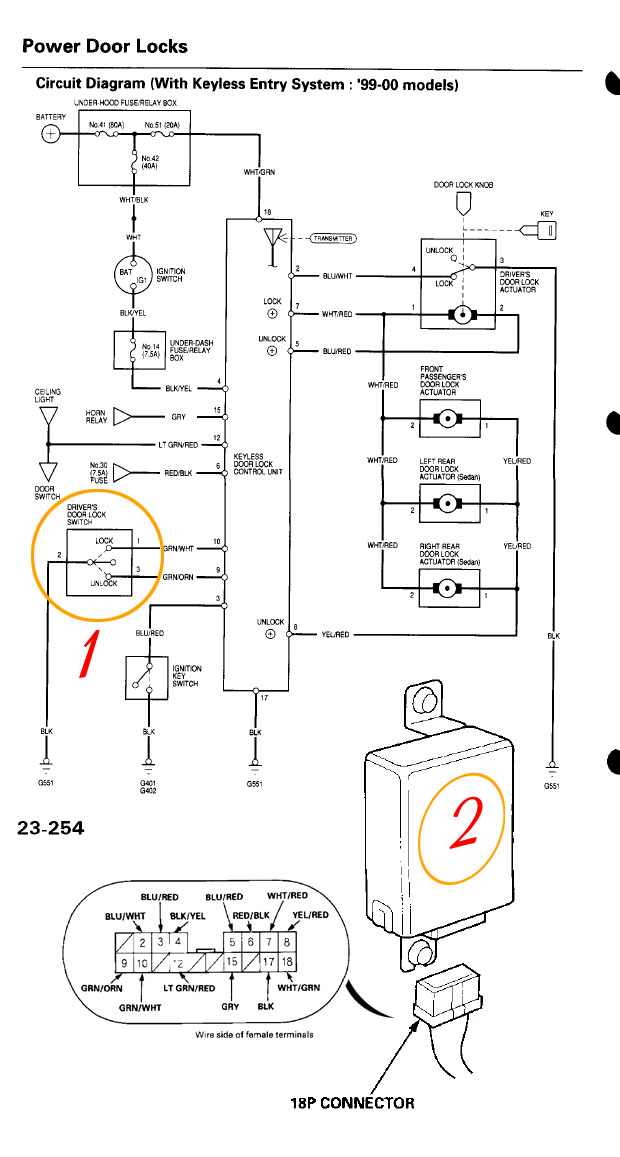
ต่อปุ่มกดล็อก (Central Lock) ได้ไหม เพราะเวลาดก Lock /Unlock ต้องเอาแขนซ้ายอ้อม มาดึงสลักตรงหัวไหล่ขวามันไม่ค่อยสะดวกจึงเกิดคำถามนี้ขึ้นครับ ถ้าจะใช้สวิตช์ แบบกดติด-ปล่อยดับ (เหมือน Soft Switch เปิดเครื่อง Computer) ถ้าจะต่อจากหมายเลข 1 ต้องใช้สวิต 2 ตัวหรือตัวเดียวก็ได้ SW Lock =2 + 1(GRN/WHT) SW Unlock = 2 + 3 (GRN/ORN) หรือมีวิธีที่ใช้สวิตช์ อันเดียวได้....  หมายเลข 2 กล้อง Control Unit ของ Civic ปี 99 มันอยู่ตั้งไหนครับหาไม่เจอ  ? ** ถ้าท่านสมาชิกมีคำแนะนำอื่น ๆ ๆ เชิญได้นะครับ
|

Diagram1.jpg (134.84 KB, 620x1157 - ดู 33773 ครั้ง.)
|
|
|
บันทึกการเข้า
|
|
|
|
|
|
|
|
|
|
|
|
|
|
|
|
doly
ศิษย์น้อง
 
ออฟไลน์
กระทู้: 61
|
 |
« ตอบ #7 เมื่อ: 12 ธันวาคม 2008, 14:42:17 » |
|
|
|
|
|
|
บันทึกการเข้า
|
|
|
|
|
|
pop2pop
เข้าวงการ

ออฟไลน์
กระทู้: 47

|
 |
« ตอบ #9 เมื่อ: 21 ธันวาคม 2008, 10:15:23 » |
|
ผมเดินดูที่ร้านอมร ไปเจอสวิทซ์กระจกไฟฟ้า สามารถเอามาแทนสวิทซ์เซ็นทร้ลล๊อกได้หรือเปล่า และผมไม่รู้ว่าสามารถไปต่อกับสายไฟของปืนเซ็นทรัลล๊อกได้ไหม ใช้ ES ครับ ปล. แอบไปดู FDthailand เค้ามีช่างอิเลคโทรนิคประจำเว็บ ของเราน่าจะมีมั่งน้าาา...DIY จะได้คึกคัก.. 
|
|
|
|
|
บันทึกการเข้า
|
|
|
|
|
|
Lotus
ศิษย์น้อง
 
ออฟไลน์
กระทู้: 65
|
 |
« ตอบ #11 เมื่อ: 06 มกราคม 2009, 10:45:40 » |
|
 อยากได้แบบนี้ใช่ป่าว กดบนปลดล๊อค กดล่างล๊อคประตู พร้อมระบบ Auto Lock ที่ความเร็ว 20 กม./ชม. ผมเสียตังค์ทำมาครับ กับพี่คนนี้ => 089-203-9172 (พี)  ปล.เป็นสวิทซ์กระจกไฟฟ้าของรุ่นไหนไม่ทราบครับ แพงมั๋ยครับ
|
|
|
|
|
บันทึกการเข้า
|
|
|
|
|
|
|
|
|
|
|
|
|
|
|
|
|
|
|
|
|
|
|
|
|
|
|
|
|
|
|
|
|
|
|
|
|
|
thanawat6
Gold Member
อาจารย์ปู่
  
ออฟไลน์
เพศ: 
กระทู้: 3,230

Japan Garbage Car & THE GANG DIY SERVICE
|
 |
« ตอบ #29 เมื่อ: 09 เมษายน 2010, 09:38:06 » |
|
คือ ของผม มันเหยียบเบรคแล้ว lock ด้วย แต่ผมไม่ชอบเลย จะทำไงได้มั่งครับ เอาออกยังไงดี
เปลี่ยนจากเหยียบเบรคแล้วล๊อค ไปเป็น switch manual นี่ยากมั้ยครับ
เป็นชุดสัญญาณกันขโมยใช่ไหมครับ ถ้าใช่ก็ยกเลิกได้ครับ ต้องอ้างอิงคู่มือครับ ของผมใช้ สัญญาณกันขโมย ของ ABT รีโมทแบบ 2 ปุ่ม เหยียบเบรคล๊อคเหมือนกัน ยกเลิกโดยการ เปิดกุญแจ ON แล้วกดปุ่มที่รีโมทปุ่มที่ 2 ค้างไว้ 3 วินาที ไฟฉุกเฉินกระพริบ 2 ครั้งเป็นอันเสร็จ ถ้าจะให้กลับมาเหมือนเดิมก็ทำแบบเดิม ไฟฉุกเฉินกระพริบ 1 ครั้งแทน ลอง ดู ส่วนปุ่มกดปล๊ดล๊อคว่าง ๆ จะลองทำดู รถผม EK96 เป็นแบบเซ็นทรัลล๊อค ถ้าเอาสัญญาณเข้า กล่องเซ็นทรัลล๊อค ประตู 3 บานจะปลดล๊อคให้ เดี๋ยวลองดู อย่างน้อย ๆ ต้องเตรียมปืนดึงประตูฝั่ง คนขับไว้ 1 ตัว หละครับ ถ้าติดสัญญาณมีอยู่แล้วครับ
|
|
|
|
|
บันทึกการเข้า
|
|
|
|
|
|
|
|
|
|
|
|
thanawat6
Gold Member
อาจารย์ปู่
  
ออฟไลน์
เพศ: 
กระทู้: 3,230

Japan Garbage Car & THE GANG DIY SERVICE
|
 |
« ตอบ #34 เมื่อ: 22 มิถุนายน 2010, 12:03:53 » |
|
รถผม(EK )ไปดูมาล่ะ มันไม่ใช่กล่องเดิมมันแต่ว่าที่ต่อกับรถมีสาย 6 เส้น แล้วเสียเหลือหลายเส้นเด่วว่างจะลองต่อดู โอ้ลืมถ่ายรูปมา เด่วไปถ่ายรูปใหม่
ใช่ครับ 6 เส้น 3 เส้นเป็นตัวสั่งงานจาก ประตูฝั่งคนขับเข้ากล่อง 2 เส้นออกไปหาประตูอีก 3 บาน ให้ล๊อค กะ ปล๊ดล๊อค 1 เส้นสายไฟเข้า เขียว/ขาว 12v วิธีต่อก็ หา สวิซ 3 ขา 2 ทาง มาต่อ ให้ต่อ 3 เส้นแรกครับ ตรงกลางเป็นขา G ลงตัวถัง หรือพ่วงกะสายสีดำ แต่ต้องย้ายมอเตอร์ดึงกลอนประตู ไปพ่วงกับ 2 เส้นที่ออกจาก กล่องไปสั่งให้ ประตู 3 บานปล๊ดล๊อค ปล. ถ้าติดสัญญาณกันขโมยก็พ่วง 2 สายจากสวิซได้เลย ล๊อค - ปล๊ดล๊อคต้องใช้สวิซอย่างเดียวถ้าดึงตัวล๊อค ด้านคนขับ ประตู 3 บานจะไม่ทำงาน
|
|
|
|
|
บันทึกการเข้า
|
|
|
|
|
|
|
|
|
|
|
|
|
|